���_(d��)LD128EN-100��Ӿ��a��
һ��LD128EN-100��Ӿ��a���a(ch��n)Ʒ���c(di��n)
�������_(d��)LD128EN-100�����O(sh��)�侎ַ���Ǟ�LD128EN�����a(ch��n)Ʒ���O(sh��)Ӌ(j��)����ͨ�^��ַ����(du��)LD128Eϵ�м�LD128ENϵ�п����a(ch��n)Ʒ�ĵ�ַ�M(j��n)���x�����y�������������^�̺��Ρ�
����LD128EN-100�����O(sh��)�侎ַ����Ҫ��;���m�÷���
�������N���I(y��)�����ý�������
����LD128EN-100�����O(sh��)�侎ַ����(du��)�h(hu��n)������Դ��Ӱ�
����LD128EN-100��Ӿ��a���a(ch��n)Ʒ�Ě��w������ע�ܶ������o��Ⱦ��
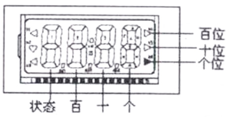
�ġ�LD128EN-100��Ӿ��a��Һ��ָʾ�f��
����Һ����4λ��(sh��)�ֽM������D1

�D1 Һ����B(t��i)�@ʾ
�� ��Һ���ϵ�4λ��ʾ��B(t��i)���@ʾ��ĸ��ʾ��ַ���Ĺ������@ʾP�r(sh��)�錑�����O(sh��)��ĵ�ַ���@ʾC�r(sh��)���x�����O(sh��)��ĵ�ַ���@ʾL�r(sh��)�錑�����O(sh��)�����ͣ��@ʾE�r(sh��)�� �x�����O(sh��)���������@ʾ“3”�r(sh��)�錑����©��O(sh��)���“ͨ����”���@ʾ“4”�r(sh��)���x����©��O(sh��)���“ͨ����(sh��)”���@ʾ“9”�r(sh��)�錑��������˨�O(sh��)��ķ�����ַ�� �@ʾ“7”�r(sh��)���x��������˨�O(sh��)��ķ�����ַ��
����Һ���ϵ�3λ��ʾ�x����Ҫ�����ַ�İ�λ��Һ���ϵ�2λ��ʾ�x����Ҫ�����ַ��ʮλ��Һ���ϵ�1λ��ʾ�x����Ҫ�����ַ�Ă�(g��)λ��
����Һ�����ҷ�������(g��)С���^������λ��(bi��o)ӛ����(d��ng)����***�·��r(sh��)��ʾ���Ԍ�(du��)��(g��)λ�Ӝp�������g�r(sh��)��ʾ���Ԍ�(du��)ʮλ�Ӝp����***�϶˕r(sh��)��ʾ���Ԍ�(du��)��λ�Ӝp��
�塢��ַ���������f��
������ַ������7��(g��)���I�������քe�ǣ�
����“��”���I�����Ԍ�(du��)��(g��)��ʮ����λ�M(j��n)�мӲ�����ÿ��һ�¼�1��
����“�p”���I�����Ԍ�(du��)��(g��)��ʮ����λ�M(j��n)�Мp������ÿ��һ�p1��
����“��λ”���I�������M(j��n)����λ�Ĺ�����ÿ��һ��׃�Qһ��(g��)λ�ã���Һ���ό�(du��)��(y��ng)��������Ǽ��^��
����“��”���I�����º�Һ������λ�@ʾP��ĸ��
����“�x”���I�����º�Һ������λ�@ʾc��ĸ��
����“���”���I����һ�º�Һ����4λ�@ʾ“L”��“E”��“3”��“4”��“7”��“9”��
������ʾ��“L”→�������
����“E”→�x�����
����“3”→������©��O(sh��)���“ͨ����(sh��)”��
����“4”һ�x����©��O(sh��)���“ͨ����”��
����“9”һ�������������ķ�����ַ��
����“7”→�x��������˨�ķ�����ַ��
������ע���@ʾ“8”���x��ַ����ܛ���汾̖(h��o)��������“�_��”���@ʾ�Ĕ�(sh��)�֞�ܛ���汾���F(xi��n)��170����ʾ��ַ����ܛ���汾��V1.70��
����“�_�J(r��n)”���I��ʾ��(du��)�����Ĵ_�J(r��n)��
�����Y(ji��)��(g��u)����
����LD128EN-100��Ӿ��a���Y(ji��)��(g��u)�D��D2��ʾ��

�D2 LD128EN-100��Ӿ��a���Y(ji��)��(g��u)�D
�������γߴ�飺76*134*29.5����λ��mm��
����1����
����2�����w
����3�����IĤ
����4��ƽ���Թ����M3*10
����5����·��
����6��Һ����
����7�����w
����8��늳�
����9���ך�
����10��늳��w
����11���_�P(gu��n)
����12�����������
����13�����ö���������
ͬ���������
- ��������ʩ���н�������ͻ�ȼ�(j��)����օ^(q��)�������g�༰��ɢ����֪�R(sh��)�c(di��n)
- ���֘������S��������(n��i)������Щ��ÿ��/����/���ԓ��ʲô��
- �|����������ͨ�^��(bi��o)��(zh��n)�������cҎ(gu��)������������������|(zh��)��
- ��������^(q��)�e�^��늙z���e�^�����늙z�y��(b��o)������Xһ��
- ���������S�����ɺ�ҕ���l(f��)�F(xi��n)�[�����r(sh��)̎����������ȫ�o�n
- ���b��ʹ�ßo�����Y�|(zh��)�Ĺ�˾ʩ��������(hu��)����Щ���
- �����z����ݑ�(y��ng)��(du��)�g(sh��)���ľS����(x��)��(ji��)������ӭ�z���Ƶ갲ȫ�o�n�²���
- ������������ʩ����횷�����ЩҎ(gu��)����ʩ���е�Ҫ�c(di��n)����Щ��
- �����z�鲻�ϸ������S����˾��؟(z��)�Ά���
- �����O(sh��)ʩ�S�o(h��)�S��ȫ���ԣ������S����˾�ķ���(w��)��(n��i)���c��(bi��o)��(zh��n)
*���YӍ����
- ������6��30�����������{(di��o)�������ͻ��(d��ng)�c�̘I(y��)��(j��ng)�I�o�茏��
- ��(d��)���Ĺ�500ƽ��С�������o��������ϵ�y(t��ng)������������������
- ����������*�����^���bҎ(gu��)����(bi��o)��(zh��n)�����^�ĞRˮ�P�c픲��ľ��x
- �����S���Y�|(zh��)���Գн���������ʩ����
- �������l�T�ĸ���
- ����ͨ�L(f��ng)�ܵ��S�o(h��)����Ҫ��
- ����˨˨�ڱ��B(y��ng)����
- ����ˮ����ʽ��(b��o)���y�ľS�o(h��)����
- ��Ԣ������й���ڰ��b�߶�
- �������b����Ԣ�����������T�����䰲�b�߶�






