����J-SAM-GST9122�քӻ��(z��i)���o
����J-SAM-GST9122 �քӻ��(z��i)���o���b�ڹ��������������o���Ԓ�������(d��ng)�˹��_�J�l(f��)��
���(z��i)���������o�ϵİ�Ƭ��������������l(f��)������̖�����������յ�����̖�������@ʾ
�����o�ľ��a��Ϣ���l(f��)��������������Ԓ�֙C�����Ԓ������c�Ԓ���CͨӍ��
һ������J-SAM-GST9122 �քӻ��(z��i)���o��Ҫ�����������c��
��1�����ðβ�ʽ�Y(ji��)��(g��u)�O(sh��)Ӌ�����b���η��㣬���o�ϵİ�Ƭ�ڰ��º���Ì��ù��ߏ�(f��)λ��
��2�������o��Ƭ�����Ɉ��o�ṩ����ݔ���|�c����ֱ�ӿ��������ⲿ�O(sh��)����
��3������̎�������F(xi��n)��̖̎�����Ô�(sh��)����̖�c�������M��ͨ�ţ�������(w��n)���ɿ�����늴Ÿɔ_
�����õ�����������
��4����ַ�a����Ӿ��a���ɬF(xi��n)���Č���
��������J-SAM-GST9122 �քӻ��(z��i)���o��Ҫ���g(sh��)ָ��(bi��o)
��1������늉�������24V
��2���O(ji��n)ҕ���≤0.6mA
��3�������≤1.8mA
��4�����ƣ��c���������ßo�O����̖�������B�����cGST-LD-8304 ���ö������B��
��5���~��DC30V/100mA �oԴݔ���|�c��̖�����|���≤0.1Ω
��6��ʹ�íh(hu��n)����
�ضȣ�-10�桫+55��
�������≤95%�����Y(ji��)¶
��7���⚤���o�ȼ���IP43
��8�����γߴ磺
95.4mm×98.4mm×45.5mm�����ך���
1.3.3 �Y(ji��)��(g��u)���������b�c����
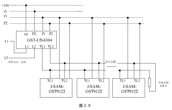
��������J-SAM-GST9122 �քӻ��(z��i)���o����ʾ��D��D2- 6

�ġ�����J-SAM-GST9122 �քӻ��(z��i)���o����Ӷ���ʾ��D��D2- 7

����
Z1��Z2��������������̖�������o�O����
K1��K2���~��DC30V/100mA �oԴݔ����������(d��ng)���o���r��ݔ���|�c�]����̖����ֱ�ӿ�
���ⲿ�O(sh��)�䡣
TL1��TL2���cGST-LD-8304 �B�ӵĶ�����
����Ҫ����̖Z1��Z2 ������ȼRVS �p�g��������e≥1.0mm2�������Ԓ��TL1��TL2 ������
ȼRVVP ���ξ�������e≥1.0mm2��
1.3.4 ��(y��ng)�÷���
�����քӻ��(z��i)���oʹ�Õr�������o��Z1��Z2 ����ֱ�ӽ������(z��i)�����������ϼ�
���������քӻ��(z��i)���o�������Ԓ���ʹ�Õr�������o��Z1��Z2 ����ֱ�ӽ�����(z��i)��
������������ͬ�r�����o��TL1��TL2 �����cGST-LD-8304 �����Ԓģ�K�B�ӣ����wҊ�D2- 8
��ʾ��***ĩ�ˈ��o��TL1��TL2 �Ӿ����ӽ�4.7kΩ�K����裩��

ͬ���������
- ��������ʩ���н�������ͻ�ȼ�����օ^(q��)�������g�༰��ɢ����֪�R�c
- ���֘������S��������(n��i)������Щ��ÿ��/����/���ԓ��ʲô��
- �|����������ͨ�^��(bi��o)��(zh��n)�������cҎ(gu��)������������������|(zh��)��
- ��������^(q��)�e�^��늙z���e�^�����늙z�y�������Xһ��
- ���������S�����ɺ�ҕ���l(f��)�F(xi��n)�[�����r̎����������ȫ�o�n
- ���b��ʹ�ßo�����Y�|(zh��)�Ĺ�˾ʩ������������Щ���
- �����z����ݑ�(y��ng)���g(sh��)���ľS������(ji��)������ӭ�z���Ƶ갲ȫ�o�n�²���
- ������������ʩ����횷�����ЩҎ(gu��)����ʩ���е�Ҫ�c����Щ��
- �����z�鲻�ϸ��������S����˾��؟(z��)�Ά���
- �����O(sh��)ʩ�S�o�S��ȫ���ԣ������S����˾�ķ���(w��)��(n��i)���c��(bi��o)��(zh��n)
*���YӍ����
- ������6��30�����������{(di��o)�������ͻ���c�̘I(y��)��(j��ng)�I�o�茏��
- �����Ĺ�500ƽ��С���ӣ��o��������ϵ�y(t��ng)������������������
- ����������*�����^���bҎ(gu��)����(bi��o)��(zh��n)�����^�ĞRˮ�P�c픲��ľ��x
- �����S���Y�|(zh��)���Գн���������ʩ����
- �������l�T�ĸ���
- ����ͨ�L(f��ng)�ܵ��S�o����Ҫ��
- ����˨˨�ڱ��B(y��ng)����
- ����ˮ����ʽ���y�ľS�o����
- ��Ԣ������й���ڰ��b�߶�
- �������b����Ԣ�����������T�����䰲�b�߶�






