����GST-LD-8303����ݔ��/ݔ��ģ�K
һ������GST-LD-8303����ݔ��/ݔ��ģ�K���c
GST- LD-8303ݔ��/ݔ��ģ�K��һ�N�����ƿ��ƽӿ�����������Ɍ���������������T��ˮ�����ş��L(f��ng)�C���p�����O(sh��)��Ŀ�������Ҫ���ڷ�������T��λ�ÿ����� �ܿ��������λ����λ��Ҳ�ܿ��������λ����λ��ͬ�rҲ�ܴ_�J��������T��̎���ϡ������µ���һλ��ԓģ�KҲ������ɂ�������GST-LD-8301ݔ�� /ݔ��ģ�Kʹ����
GST-LD-8303ݔ��/ݔ��ģ�K���Ѓɂ����a��ַ���ɂ����a��ַ�B�m(x��)�����a��242���ɽ��Ձ��Կ������Ķ��β�ͬ������ ���������ж��β�ͬ����ݔ���ʹ_�J������ͬݔ��ش���̖�Ĺ�������ģ�K����ݔ����̖�鳣�_�_�P(gu��n)��̖��һ���_�P(gu��n)��̖������GST-LD-8303�����_�P(gu��n)�� ̖ͨ�^(li��n)�ӿ��������������(li��n)�ӿ������a(ch��n)�����@ʾ�������O(sh��)��ĵ�ַ̖����(d��ng)ģ�K�������F(xi��n)���ϕr��������Ҳ���a(ch��n)������ģ�K��̖�@ʾ��������ģ�K���Ѓ� �����_�����]�|�c���ɽM��Դݔ����ݔ�롢ݔ�����Йz��������
GST-LD-8303ģ�K�ľ��a��ʽ����Ӿ��a���ھ���һ�����a��ַ������һ�����a��ַ�Ԅ����ɞ飺�����ַ+1��ԓ���a��ʽ�����ݣ��F(xi��n)�����a�rʹ�ú�����˾���a(ch��n)��GST-BMQ-2����Ӿ��a���M����
��������GST-LD-8303����ݔ��/ݔ��ģ�K��Ҫ���g(sh��)ָ��(bi��o)
��1������늉���
����늉�������24V
�Դ늉���DC24V
��2���O(ji��n)ҕ�����
�������≤1mA
�Դ���≤6mA
��3�����������
�������≤4mA
�Դ���≤35mA
��4�����ƣ��c���������ßo�O����̖�������B�����cDC24V�Դ���ßo�O���Դ�������B��
��5��ݔ��������DC24V/1A���ɽMݔ������֮�͞�DC24V/1A��
��6��ݔ�����Ʒ�ʽ���}�_���ƽ���^������_/���]�oԴ�|�cݔ�����}�_���ӕr�^������ϕr�g��10s��
��7�����S�O(sh��)�ã���·���_�z����ʽ
��8��ʹ�íh(hu��n)����
�ضȣ�-10�桫+55��
�������≤95%�����Y(ji��)¶
��9���⚤���o�ȼ���IP30
��10�����γߴ磺
110mm×86mm×43mm�����ך���
��������GST-LD-8303����ݔ��/ݔ��ģ�K�Y(ji��)��(g��u)���������b�c����
ģ�K�����γߴ缰�Y(ji��)��(g��u)ʾ��D��D2-44��ʾ��

ģ�K�İ��b�����cGST-LD-8319ݔ��ģ�K��ͬ���䌦�����ʾ��D��D2-45��

����
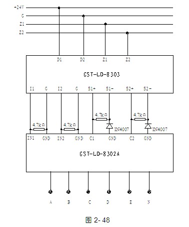
Z1��Z2���ӻ��(z��i)��������̖���������o�O��
D1��D2��DC24V�Դݔ����ӣ��o�O��
I1��G��·�oԴݔ��ˣ���ͨ�^��Ӿ��a���O(sh��)�鳣�_�z�������]�z�����Իش�ʽ��
I2��G���ڶ�·�oԴݔ��ˣ���ͨ�^��Ӿ��a���O(sh��)�鳣�_�z�������]�z�����Իش�ʽ��
S1+��S1-��·��Դݔ������
S2+��S2-���ڶ�·��Դݔ������
����Ҫ����̖����Z1��Z2������ȼRVS�p�g��������e≥1.0mm2���Դ��D1��D2������ȼBV��������e≥1.5mm2��I1��I2��G��S1+��S1-��S2+��S2-������ȼRV��������e≥1.0mm2��
��������GST-LD-8303����ݔ��/ݔ��ģ�K��(y��ng)�÷���
ģ �Kݔ�������O(sh��)�Þ�“���_�z��”��B(t��i)ݔ�룬ģ�Kݔ�뾀ĩ�ˣ��h�xģ�K�ˣ���횲�(li��n)һ��4.7kΩ�ĽK�������ģ�Kݔ�������O(sh��)�Þ�“���]�z��”��B(t��i)ݔ��ģ �Kݔ�뾀ĩ�ˣ��h�xģ�K�ˣ���횴�(li��n)һ��4.7kΩ�ĽK�������ģ�K����Դݔ���r,��Դݔ���ˑ�(y��ng)��(li��n)һ��4.7kΩ�ĽK�����������(li��n)һ��IN4007�� �O����
a.ģ�K�c��������T늚�����䣨��(bi��o)���ͣ��Ӿ�ʾ��D��D2-46(�oԴ���_�z��ݔ��)���D2-47��ʾ(�oԴ���]�z��ݔ��)��


b.GST-LD-8303��ģ�K�cGST-LD-8302A��ģ�K�M���B�ӵķ�����D2-48��ʾ��

ͬ���������
- ��������ʩ���н�������ͻ�ȼ�����օ^(q��)�������g�༰��ɢ����֪�R�c
- ���֘������S��������(n��i)������Щ��ÿ��/����/���ԓ��ʲô��
- �|����������ͨ�^��(bi��o)�ʻ������cҎ(gu��)������������������|(zh��)��
- ��������^(q��)�e�^��늙z���e�^�����늙z�y�������Xһ��
- ���������S�����ɺ�ҕ���l(f��)�F(xi��n)�[�����r̎����������ȫ�o�n
- ���b��ʹ�ßo�����Y�|(zh��)�Ĺ�˾ʩ������������Щ���
- �����z����ݑ�(y��ng)���g(sh��)���ľS������(ji��)������ӭ�z���Ƶ갲ȫ�o�n�²���
- ������������ʩ����횷�����ЩҎ(gu��)����ʩ���е�Ҫ�c����Щ��
- �����z�鲻�ϸ��������S����˾��؟(z��)�Ά
- �����O(sh��)ʩ�S�o�S��ȫ���ԣ������S����˾�ķ���(w��)��(n��i)���c��(bi��o)��
*���YӍ����
- ������6��30�����������{(di��o)�������ͻ���c�̘I(y��)��(j��ng)�I�o�茏��
- �����Ĺ�500ƽ��С�������o��������ϵ�y(t��ng)������������������
- �������죬*�����^���bҎ(gu��)����(bi��o)�������^�ĞRˮ�P�c픲��ľ��x
- �����S���Y�|(zh��)���Գн���������ʩ����
- �������l�T�ĸ���
- ����ͨ�L(f��ng)�ܵ��S�o����Ҫ��
- ����˨˨�ڱ��B(y��ng)����
- ����ˮ����ʽ���y�ľS�o����
- ��Ԣ������й���ڰ��b�߶�
- �������b����Ԣ�����������T�����䰲�b�߶�






